1. An LED is connected in series with a cell and a resistor, as shown. The LED operates when the voltage across it is 1.8 V and the current flowing through it is 1.5 mA.

(a) Why is the LED connected in series with a resistor?
(b) What value of resistor is required for the LED to operate properly?
2. Which of these LEDs will operate?

3. What happens to the resistance of a thermistor as temperature increases?
4. What happens to the current flowing through a thermistor as temperature increases?
5. At a temperature of 23 °C, the resistance of a thermistor is 5700 Ω. Suggest a possible resistance of the thermistor when the temperature is 20 °C.
6. A thermistor is connected to an ohmmeter, as shown.
The temperature of the thermistor is measured and the resistance is observed.
The temperature of the thermistor is increased in 10 °C increments and the resistance is measured at each temperature.
The results of the experiment are shown.
Draw a line graph of these results.
7. What happens to the resistance of an LDR as the brightness of light incident on it increases?
8. What happens to the current flowing through an LDR as the brightness of incident light increases?
9. An LDR is used in an outdoor light sensor system. At noon, the resistance of the LDR is 3.3 kΩ. Suggest a possible resistance of the LDR at midnight.
10. A discharged capacitor is placed in to a series circuit as shown
(a) What is the reading on the voltmeter, V2, when switch S is open?
(b) The switch, S, is closed. What is the reading on voltmeter, V1, immediately after the switch is closed?
(c) The switch, S, is closed. What is the reading on voltmeter, V2, immediately after the switch is closed?
(d) Describe two changes that could be made to the circuit to increase the time taken for the capacitor, C, to charge.
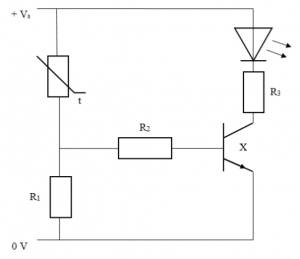
11. A thermistor is used in a switching circuit, as shown.

(a) What is the name of component X?
(b) State how this circuit will warn a chef that the temperature of a fridge is too high.
(c) How could this circuit be altered to warn a chef that the temperature of a fridge is too low?

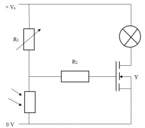
12. An LDR is used in a switching circuit, as shown.

(a) What is the name of component Y?
(b) State how this circuit will automatically turn on a porch light when it gets dark.
(c) What is the advantage of component R1 being a variable resistor?


